技术参数
| 项目 |
规格 |
| 步距角精度 |
+/-5%,(整步,无负载) |
| 电阻公差 |
+/-10%, |
| 电感公差 |
+/-20% |
| 温升 |
最大80 ℃,两相通电 |
| 环境温度 |
-10℃-+50℃ |
| 绝缘等级 |
100MΩMin. ,500VDC |
| 介电强度 |
500VAC每分钟 |
| 转轴径向跳动 |
0.06Max.(450g-load) |
| 转轴轴向跳动 |
0.08Max.(450g-load) |
技术规格
|
型号
|
电流
(A)
|
电压
(V)
|
电阻
(Ω)
|
电感
(mH)
|
保持力矩
(g.cm)
|
引线
(条)
|
重量
(Kg)
|
机身长
(mm)
|
接线图
|
|
39HZ20605
|
0.5
|
6.5
|
13
|
7.5
|
800
|
6
|
0.12
|
20
|
3
|
|
39HZ27408
|
0.8
|
9.6
|
12
|
9.3
|
1200
|
4
|
0.15
|
27
|
4
|
|
39HZ34410
|
1.0
|
5.6
|
5.6
|
16
|
2100
|
4
|
0.18
|
34
|
4
|
|
39HZ38412
|
1.2
|
4
|
3.3
|
6.6
|
2900
|
4
|
0.20
|
38
|
2
|
|
39HZ44410
|
1.0
|
4.4
|
4.4
|
8
|
3000
|
4
|
0.25
|
44
|
|
以上仅为代表性产品,我们可以按客户要求订制!
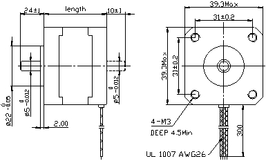
机械尺寸

接线图
 .gif)
1 2 3 4 |