|
|
|
 |
您当前的位置:首页 >> 产品中心 |
|
 |
| |
 |
产品中心 |
|
|
|
|
|
| |
| 名称:86MM系列(1.8°)步进电机 |
| 规格:86MM系列(1.8°)步进电机 |
| 零售价格:.00 |
| 分类:步进电机系列 |
文档下载: |
| |
|
|
|
|
技术参数
| 项目 |
规格 |
| 步距角精度 |
+/-5%,(整步,无负载) |
| 电阻公差 |
+/-10% |
| 电感公差 |
+/-20% |
| 温升 |
最大80℃,(两相通电) |
| 环境温度 |
-10℃-+50℃ |
| 绝缘等级 |
100MΩMin.,500VDC |
| 介电强度 |
500VAC 1分钟 |
| 转轴径向跳动 |
0.06Max.(450g-load) |
| 转轴轴向跳动 |
0.08Max.(450g-load) |
技术规格
|
型号
|
电流
(A)
|
电阻
(Ω)
|
电感
(mH)
|
保持力矩
(Kg.cm)
|
引线
(条)
|
重量
(Kg)
|
机身长
(mm)
|
接线图
|
|
86HZ65-35
|
2.8
|
1.4
|
3.9
|
35
|
8
|
1.7
|
65
|
1
|
|
86HZ80-45
|
4.24
|
0.75
|
3.4
|
45
|
8
|
2.3
|
80
|
1
|
|
86HZ118-85
|
4.2
|
0.9
|
6
|
85
|
8
|
3.8
|
118
|
1
|
|
86HZ156-120
|
4.2
|
1.25
|
8
|
122
|
8
|
5.4
|
156
|
1
|
以上仅为典型产品,我们可以按客户要求订制!
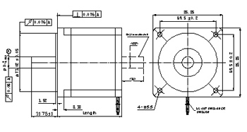
机械尺寸
.jpg) .jpg)
接线图
.jpg)
1 |
|
| |
|
|
|